ATZGB-F1是一个完全兼容IEEE802.15.4c/ZigBee协议的低功耗、高灵敏度的无线通信模块,专业用于它拥有超小的封装体积,多功能的集成。
ATZGB-F1集成了ATmel公司的ATmega1281V微处理器和AT86RF射频传输芯片。拥有128KB Flash存储器、4KB EEPROM存储器和8KB的RAM,最大无线速率可达2Mbps.
ATZGB-F1已经集成了所有的RF/MCU及外围电路,因此很容易的集成到2层PCB板中,与单芯片相比,基于模块化得解决方案更能节省开发周期、成本和降低设计难度。模块具有中功率和小功率两种发射模式,满足不同功率要求的场合需求。
产品特点
扩展的接口(模拟和数字):
40备选GPIO(包括8备选的IRQ输入)
4通道10位ADC的输入+1路电压监测(使用JTAG线复用时可达8通道ADC输入)
带流控的异步串口(UART),可复用为同步串口USART
8位数据总线+16位地址总线
I2C
SPI
Wire
PWM
最多可支持44个可配置的GPIO端口
提供3V电平的UART口,可外接232或485电平转换芯片
提供外部晶体接口
可自定义MAC地址、PANID、簇号等参数,并存储在内部的EEPROM中
支持779~787M WPAN、欧盟863M ISM频段、北美915M ISM频段和国际2.4GHz ISM频段
集成ZGB-TRX协议栈,基于UART和命令设置
发射功率、RF频段、网络标号(PANID)、节点地址等可配置
自动组网,自动路由,链路自愈
提供休眠控制IO,可与父设备同时进入低功耗模式
管脚封装:邮票孔封装
网络拓扑

点对点及星型网络拓扑图

树型簇状网络拓扑图(只有处于同一簇内的节点才能组网通信)

树型网络拓扑图(所有节点均为同一分簇)
详细规格
1、射频指标
ATZGB-780F1指标
参数名称 | 数值范围 | 单位 | 说明 |
工作频率范围 | 769~936 | MHz | 步进1M或0.1MHz |
频段数量 | 4 | 个 | 中国WPAN标准 |
1 | 个 | 欧盟SRD标准 | |
10 | 个 | 北美ISM标准 | |
频段间隔 | 2 | MHz | 中国WPAN标准 |
发射功率 | -11~+10 | dBm | 可进行16 步调整 |
接收灵敏度 | -110 | dBm | PER = 1% |
无线速率 | 20~1000 | kbps | |
射频接口阻抗 | 50 | Ohm | 单端非平衡输出 |
ATZGB-2400F1指标
参数名称 | 数值范围 | 单位 | 说明 |
工作频率范围 | 2.4~2.485 | GHz | 步进5M |
频段数量 | 16 | 个 | |
频段间隔 | 5 | MHz | |
发射功率 | -17~+3 | dBm | 可进行16 步调整 |
接收灵敏度 | -101 | dBm | PER = 1% |
无线速率 | 250 | kbps | |
射频接口阻抗 | 50 | Ohm | 单端非平衡输出 |
2、参数指标
产品频段 | 769~936MHz/2.4~2.485GHz |
电源电压 | 1.8to3.6 V |
工作电流:RX模式 | 19mA /20mA |
工作电流:TX(10dBm) 模式 | 31mA/21 mA |
工作电流:节电模式 | 0.5uA /0.3uA |
开阔地通信距离 | 750 m /400 m |
地下停车场通信距离 | TBD |
CPU片内 Flash 存储器容量 | 128K bytes |
CPU片内 RAM 存储器容量 | 8K bytes |
CPU片内 EEPROM 存储器容量 | 4K bytes |
CPU工作频率 | 1~8 MHz |
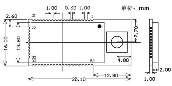
尺寸 | 35*16*3mm |
接口排针间隔 | 1.27mm |
工作温度范围 | -40~80℃ |
工作湿度 | 0~95% |
3、外形尺寸

订购信息
模块名称
工作频段
接口类型
ATZGB-780F1
700/800/900 MHz
邮票孔表面贴装
ATZGB-2400F1
2.4GHz
邮票孔表面贴装